シーズン終盤
富有柿もシーズン終盤に入って落札が増えました。
例年12月上旬には終わってるのですが、暖冬と今年はカメムシが少なかったのせいで、実持ちが良く今の時期でもシッカリした実が成ってます。
ブログランキング登録中です。
![]()
![]()
バナークリックのご協力よろしくお願いします!
気温8度
本日の外気温計は8度。気温的には活動下限です。
しかし一昨日は20度だったのに、何だこの寒暖差は???
本日の届きモノ
Amazonで購入したバスバーと14sqのケーブルが届きました。
14sqははバスバーからのサブの配線で使用しようと思ってます。
サブからの派生については先日購入した8sqを使用の予定です。
バスバー比較
今回Amazonで購入したバスバーは

先に購入したLiTimeのバスバーの半額です。

LiTimeのバスバーはクーポンとポイントがあったので半額程度で買えたのですが、さすがに定価では買い足す気にはなれませんでした。
んで価格差なりに何か違うのか?と思い、内容物を比較するのですが、
表面積はLiTimeの方が大きいものの、
高さはノーブランド品の方が高いです。
側面と端面のカバーは同じ様な感じです。
端子の並びも同じ様な感じですが、
端子部分のベースの厚みがLiTimeの方が分厚く表面処理もキレイで造りが良い感じです。
とはいえ双方とも300A対応との記載があるので、スペック的には変わり無いかと思います。
バッテリーの比較
以前スプリンターでボツったバッテリーですが、新品に交換したカオスには劣るものの、テントむしに付いてたバッテリーよりは元気なのでは?と思い引っ張り出して来ました。
CCA測るテスターは以前AliExpressで購入したものの不良返品した事だし、一度双方を満充電してから放置して、電圧計って比較する事にしました。
片やGSユアサ、片やホームセンターブランド。どちらに軍配が上がるのやら?少し時間は掛かりますが、こうやって調べる以外手が無いのです。
スプリンターその後
昨日半日乗り回したスプリンターですが、ヒーターも問題無かったし走りもソレなりでした。
リザーバータンクのクーラントも上限いっぱいまで入ってるので、もう減る事も無さそうです。
水漏れはもう完治って事で良いかと思います。
ベレGは!?
んで雨続きで腐朽が心配なベレGですが、ちと調べてみると意外と部品調達は問題無さそうです。
ベース車両としては格安で譲って貰えそうなので、あとはワタシの思い切りだけなんですけど、さてどうしたもんか?スプリンターみたいにそう上手くは行く気はしませんが、手を出すべきが出すべきでは無いか?未だ悩むところです。
夕方所用があってウニモグ村主宰の菊蔵君に電話するタイミングがあったので、ベレGについて相談すると『良いんぢゃない』と軽めの反応。ワタシの周りには止める人間が居ないのよね、、、
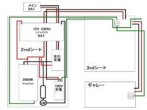
配線図
昨日少し写ってたテントむしのサブバッテリーシステム配線図です。少しばかり手直ししました。
バスバーも来たので、後はスイッチが届けば床に並べて実際に配置して配線作業出来る様になります。
本日の届きモノ(その2)
夕方便でゴミ袋が2個届きました。AliExpressで時間差で購入したのが同日に届くという、、、
端子セットは配線用のアソートセットです。
燃料タンクに取り付けるエアベントです。念の為2個買ったけど使うのは1個だけです。
少量用の12Vカップ型湯沸かし器です。カップラーメンやお茶ぐらいだとケトルより使い勝手良いかな?金額合わせにお安かったので購入しました。
電源中継用の端子です。
そしてカットオフスイッチ2種。左が置き型で右が埋め込み型です。右のを買ったのですが、壁面取り付けが難しいという事で、左のを追加購入しました。
コレでようやく役者が揃いました。年末のお休みにはFFヒーターの完成とサブバッテリーシステムが構築出来そうです。
バッテリー充電(その2)
充電が終わってたのでもう一方の方のバッテリーを充電しときます。
明朝には終わってるだろうから、出勤前に充電器外して、お昼休みに電圧比較するとしましょう。
























コメント